深度指数表

发布日期:2023-08-17 11:00:00   来源 : bal    作者 :乐小管    浏览量 :336
乐小管 bal 发布日期:2023-08-17 11:00:00  
336

2026西湖龙井茶官网DTC发售:茶农直供,政府溯源防伪到农户家 

什么是深度指数表[1]

  深度指数表又称深度百分率表,它是用来反映深度变化对地价影响程度的表格,它能详细地、系统地反映出深度对地价的影响,从而科学合理地编制深度指数表。所以,在编制深度指数表时,需要对地价进行充分的调查,然后用统计的方法,求得指数值。

深度指数表的格式[2]

  科学而合理的深度指数表,是运用路线价法估算土地价格的关键。深度指数表的格式如表所示。

深度指数表的分类[2]

  深度指数表可分为单独深度指数表、累计深度指数表和平均深度指数表三种。欧美多采用累计深度指数表,我国香港多采用平均深度指数表。

  实际上,深度指数、深度指数表、深度价格递减比率在本质上是相通的。土地价格随土地深度而变化,这种变化用百分率表示即为深度指数,由于越接近街道土地的利用价值就越大,价格应越高。因此随着土地深度的增加,土地价格呈递减趋势,即反映深度指数的深度指数表,是根据深度价格递减比率制作的,因而深度指数表又往往被称为深度价格递减比率表。

深度指数表的编制法则[2]

  路线价法最早创于欧美国家。由于英美等国的城市规划较为完善,路线价区段及标准深度的确定比较便利,只要制定合理的深度指数表,即路线价法则,就可以结合路线价运用路线价法对土地进行估价。特别是在美国,这种估价法已相当完善。欧美国家在运用路线价法进行估价时的有关法则,对中国开展土地估价实践与理论的研究应该有所启迪。

  (一)四三二一法则

  该法则又称慎格尔法则,它是由J·A·Zangerle在其所著的《不动产估价原则》一书中提出,并在估价实践中最早使用的法则。

  “四三二一”法则的含义是,将标准深度为100英尺(30.48m)深普通临街地划分成与街区平行的4等份,每份为25英尺(7.62m)深,然后从临街方向开始,第一个25英尺土地的单位价格为路线价的40%,第二个25英尺土地的单位价格为路线价的30%,第三个25英尺土地的单位价格为路线价的20%,第四个25英尺土地的单位价格为路线价的10%。如果深度超过100英尺,则需运用“九八七六”法则补充,即超过100英尺的第一个25英尺土地的单位价格为路线价的9%,第二个25英尺土地的单位价格为路线价的8%,第三个25英尺土地的单位价格为路线价的7%,第四个25英尺土地的单位价格为路线价的6%,列成深度指数表即为表。

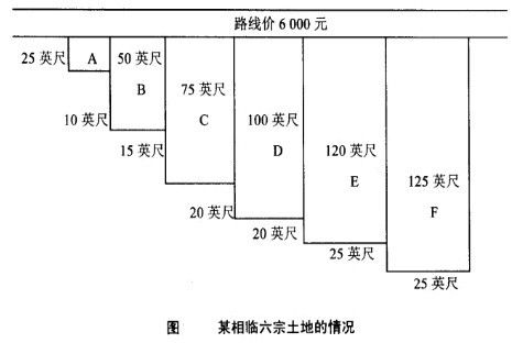
  [例]路线价为6000元,A、B、C、D、E、F各宗土地的宽度和深度如图所示。

某相临六宗地的情况

  根据四三二一法则,各宗土地的价格计算如下:

  A=6000 \times 40% \times 10=2.4(万元)

  B=6000 \times (40%+30%) \times 15=6.3(万元)

  C=6000 \times (40%+30%+20%) \times 20=10.8(万元)

  D=6000 \times (40%+30%+20%+10%) \times 20=12(万元)

  E=6000 \times (100%+9%) \times 25=16.35(万元)

  F=6000 \times (100%+9%+8%) \times 25=17.55(万元)

  由此可见,根据四三二一法则进行估价,简单明了,便于记忆。但由于对深度的划分过于粗略,往往会影响估价结果。例如,两宗土地的宽度都为20英尺,而深度分别为51英尺和75英尺,在路线价为5000元的情况下,其价格都为10.8万元,这显然不符合实际情况。这是四三二一法则的不足之处。

  (二)巴的摩尔法则

  巴的摩尔法则又称为“前面1/3里面2/3法则”,因由巴的摩尔市的估价师Bened创设而得名。最初,前面U3里面2/3法则的含义是,将标准深度为150英尺的普通临街地三等分,从临街线算起靠近街道的1/3部分即50英尺(15.24m),其土地价值的单位价格为路线价的50%,其余2/3部分即100英尺(30.48m),其土地价值的单位价格为路线价的另外50%。

  [例]路线价为5000元,A、B、C各宗土地的宽度和深度如图所示。

某相临三宗土地的情况

  则根据巴的摩尔法则,各宗土地的价格计算如下:

  A=5000 \times 50% \times 10=2.5(万元)

  B=5000 \times 50% \times 15=3.75(万元)

  C=5000 \times 100% \times 20=10(万元)

  可见,前面1/3里面2/3法则与四三二一法则类似,虽简单易记,但过于粗略。后来在实践中进行了修改补充,显得更为精细。具体如表所示。

  (三)霍夫曼—尼尔法则

  在土地估价的各项法则中,最先被承认的,就是1866年由纽约市法官霍夫曼(Haffman)所创设的霍夫曼法则。根据该法则,标准深度为100英尺的土地,最初50英尺的价格应占土地总价的2/3,即67%,在此基础上,100英尺深的土地,从临街方向开始,最初的25英尺占总价的37.5%,50英尺占67%,75英尺占87.7%,全部100英尺则为100%。

  后来,尼尔(Neil)对霍夫曼法则进行了修正和补充,从而创设了著名的霍夫曼一尼尔法则,如表所示。

  [例]一宗宽度为40英尺,深度为90英尺的临街矩形土地,假定路线价为5000元,则根据霍夫曼一尼尔法则,该宗上地的价格为:

  5000 \times 94% \times 40=18.8(万元)

  (四)苏马斯法则

  苏马斯法则由美国估价师Wilian·A·Somers于1886年提出,1910年开始运用于土地课税价格的估价。由于该法则在美国俄亥俄州克利夫兰市的应用最为著名,因此也称为克利夫兰法则。

  根据苏马斯对众多买卖实例价格的调查分析,发现100英尺深的土地价格,前面一半即临街50英尺部分,占土地总价的72.5%,后面50英尺部分则占土地总价的27.5%。若再深入50英尺,则该土地价格仅增加15%。其深度指数表就在这种价格分配原则下制定。具体数据如表所示。

  [例]一宗土地的宽度为30英尺,深度为115英尺,路线价为5000元,则根据苏马斯法则,该宗土地价格计算如下:

  该宗土地的深度指数=104% + \frac{107.5% - 104%}{10} \times 5=105.75%

  该宗土地的价格总额=5000 \times 105.75% \times 30=15.86(万元)

  苏马斯法则是美国在改善估价方法的运动中最为著名的法则,设计较为科学合理,在正确估价土地价格,确保土地税负的公平等方面起了促进作用。但它有以偏概全的嫌疑,尤其在今天各地经济发展状况不同,人口稠密程度各异,建筑技术突飞猛进,建筑成本大幅降低的情况下,该法则已不能准确反映土地价值,必须对其继续修正,才能制定出适应目前社会经济状况和物业市场状况的深度指数表。

  (五)哈柏法则

  哈柏法则创设于英国,该法则是一种算术法则。其理论是一宗土地的价格与其深度的平方根成正比,若标准深度为100英尺,则各宗土地的深度指数为其深度平方根的10倍,即:

深的指数

  [例]一宗50英尺深的土地,其深度指数为:

  =10 \sqrt{50} \times 100% \approx 70%

  但是,土地的标准深度是该路线价区段内大多数土地的深度,不一定都是100英尺,所以澳洲新南威尔斯首席估价师R·O·Rost与澳洲开发银行主席H·G·Coillns共同对哈柏法则进行了修正,修正后的公式为:

浓度指数

  从而上述的哈柏法则,即深度指数为土地深度平方根的10倍,就成为该公式的一个特例。

  [例]某特定区域内土地的标准深度为150英尺,路线价为6000元,则一宗宽25英尺,深81英尺临街矩形土地的价格计算过程为:

  深度指数=\frac{\sqrt{81}}{\sqrt{150}} \times 100%=73.47%

  土地总价=6000 \times 73.47=408.20(元)

  哈柏法则将深度指数的计算公式化,省时省力,简便易记,在估价土地时省却了对深度指数表的制作和查阅,很值得我们借鉴。但是,这种法则在进行估价时先要确定委估上地所在地区的标准深度。

  (六)我国台湾地区的深度指数表

  根据《台湾省各县市办理规定地价及编制现值繁荣街道各宗土地地价计算原则》的规定,我国台湾省和台北市的深度指数表分别如下表所示。

深度指数表的编制过程[2]

  (一)进行宗地划分

  划分方法如图所示,将该宗土地沿平行道的方向以lm等单位划分成几宗相等深度的地块,对临街的第一宗、第二宗……第n宗分别赋a_1,a_2,\cdots,a_n等符号,各宗地块的单位价格相应为A_1,A_2,\cdots,A_n,则该宗土地的单价是n宗地块单价的平均数,即:

  宗地单价=\frac{A_1 + A_2 + \cdots A_{n-1} + A_n}{n}=\frac{1}{n} \sum_{i=1}^n A_i

宗地划分

  (二)确定标准深度

  如某路线价区段内,大多数土地的深度为16m,则以16m作为标准深度。其深度指数为100%。

  (三)计算各宗地块的深度指数

  1.低于标准深度,则向临街方向递增或递减

  如以平均每平方米的价格为路线价,一般从标准深度开始向临街方向递增,日本的计算方法就是如此。西方国家的计算方法往往向临街方向递减,以100英尺深为100%,75英尺为90%,50英尺为70%,25英尺为40%。

  2.超过标准深度,则进行递减或递增

  美国的计算方法是从标准深度开始沿临街的反方向递增,即深度为100英尺,其深度指数为100%;深度为125英尺,其深度指数为109%;深度为150英尺,其深度指数为117%;深度为175英尺,其深度指数为124%;深度为200英尺,其深度指数为130%。

  (四)编制深度指数表

  1.编制单独深度指数表

  计算个别深度指数,将A_1 > A_2 > A_3 > \cdots > A_{n-1} > A_n,折算成指数,可得一系列个别深度指数,据此可编成单独深度指数表。

  2.编制平均深度指数表

  计算平均深度指数,将代表a_1,a_2,\cdots,a_{n-1},a_n的单价A_1,A_2,\cdots,A_{n-1},A_n,和代表宽为S米,深分别为1,2,…,n-1,n米的土地平均单位价格A_1,(A_1 + A_2)/2,\cdots,(A_1 + A_2 + \cdots +A_n)/n,折算成指数,可得到一系列的平均深度指数,据此可编制平均深度指数表。

  3.编制累计深度指数表

  将累计单位价格A_1,A_1 + A_2,\cdots,A_1 + A_2 + \cdots + A_n折算成指数,即为累计指数,据此可编制累计深度指数表。

相关条目

  • 深度指数

参考文献

  1. 阮萍主编;陈志敏,谢昌浩副主编.资产评估.西南财经大学出版社,2003
  2. 2.0 2.1 2.2 2.3 王家庭主编.物业估价.清华大学出版社,2005


上一篇 : 市场提取法
下一篇 : 实际观察法
关于我们
热门推荐
合作伙伴
免责声明:本站部分资讯来源于网络,如有侵权请及时联系客服,我们将尽快处理
支持 反馈 订阅 数据
回到顶部